
数字音频接收模块
产品内容介绍
DRM84S_5是一款高性能的数字音频接收模块,专为满足全球DAB/DAB+和FM广播需求设计。以其低功耗、超小尺寸、多语言支持及卓越的音频解码能力,成为现代家庭娱乐设备和汽车电子的理想选择。
一、核心功能:
1. 全频段覆盖:完美支持DAB/DAB+/FM双频段接收,确保清晰无干扰的广播体验。
2. 低功耗设计:采用先进的Silicon Labs Si468x处理器, typical功耗仅需100μW(FM)和99μW(DAB/DAB+),特别适合电池供电设备。
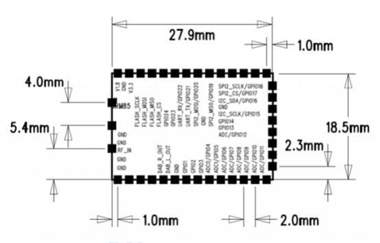
3. 超小尺寸:模块高度仅为约7mm,深度仅8.5mm,轻松集成到各种设备中,无需额外的空间占用。
4. 多语言支持:内置多种语言界面,适用于全球用户。
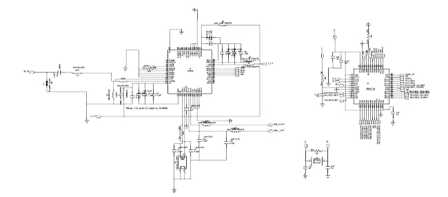
5. 灵活接口:配备丰富的I/O端口和可选的串口控制接口,方便与外部设备的连接。
二、技术优势:
1. 高灵敏度:FM接收灵敏度达到-110dBm(典型值),DAB/DAB+/DMB-Radio灵敏度高达-100dBm(典型值)。
2. 多音频服务支持:能够同时解码多达384kbps的多通道音频服务,确保清晰音质。
3. 温度适应性:设计温度范围宽广,操作温度可达-40°C至+85°C,适合多种环境条件。
4. 低功耗模式:在低功耗模式下可运行超过6个月,延长设备续航。
三、应用场景:
无论是家庭娱乐、车载听音乐,还是户外广播收听,该模块都能提供稳定、高质量的音频接收体验。其轻薄设计使其成为集成到各种电子设备的完美选择。
四、产品优势:
1. 高性价比:整合先进技术和紧凑设计,提供最佳性能与成本的最佳平衡。
2. 易于集成:支持多种开发平台,快速接入现有系统。
3. 长期稳定性:凭借强大的处理器和优化算法,模块在长时间运行中依然保持高性能。
DRM84S_5是追求高品质音频接收的的理想选择。无论是家庭娱乐、汽车电子还是其他嵌入式设备,它都能带来清晰、稳定的音频体验。欢迎访问我们的网站或联系我们的销售团队,了解更多详情!

发送询盘
